
a 접점? b 접점? 시퀀스 제어에서 자주 듣게 되는 접점이라는 것이 뭐지??
이번 포스팅에서는 지난 포스팅 유접점 릴레이 상편에 이어서 하편을 준비했습니다. 분량 조절 실패와 글쓰기 시간제한으로 유접점 상/하 편으로 나뉘게 된 점 독자 여러분들의 넓은 아량을 바라는 바입니다.
유접점 제어 상편은 지난 포스팅을 참조해 주세요.
[공장 자동화/제어 이론] - 제어에 대해서 알아보자(3) - 유접점 릴레이 상편
제어에 대해서 알아보자(3) - 유접점 릴레이 상편
시퀀스 제어 중 유접점 제어에 주로 사용되는 릴레이가 뭐지?? 이번 포스팅에서는 지난 포스팅에의 시퀀스 제어의 개념과 세부분류에서 조금 더 세부적으로 들어가는 내용을 이야기해 보겠습니
datawizard.co.kr
각설하고, 본론으로 들어가겠습니다. 👍
지난 포스팅에서 예고했듯이 이번 포스팅에서는,
- a 접점 vs. b 접점의 Contact State
- SPST와 같은 Relay Contact form
에 대해서 이야기해 보겠습니다.
Contact State - a 접점 / b 접점.
릴레이 제어뿐 아니라 PLC 제어에서도 기본적으로 통용되는 개념인 a 접점 / b 접점에 대해서 알아보겠습니다.
아마도 현업에서 제어를 다루시는 분들이라면, 입이 닳도록 말하는 용어이기도 하고 워낙 익숙한 개념일 것이지만, 제 글을 읽어주시는 독자분들, 그중에서도 이제 막 제어의 세계에 발을 들이시는 분들을 위해서 최대한 자세하게 설명을 이어가도록 하겠습니다.
먼저 접점(Contact)에 대해서 짚고 넘어가겠습니다.
앞서 상편에서 보여드린 릴레이 사진에서 접점을 찾아보실 수 있습니다.


접점(Contact)은 릴레이나 전자접촉기에서 코일에 전원을 인가하고 끊는 과정 중에 붙었다 떨어졌다를 반복하는 기구를 말합니다.
Contact(접촉하다)이라는 영어 단어에서 쉽게 그 기능과 역할을 유추할 수 있으실 것이라 생각됩니다.
그렇다면, a 접점과 b 접점은 무엇일까요?
a 접점은 Normally open (평상시 개로)라는 의미로, 코일에 전원이 인가되지 않은 상태(Normally)에서는 접점이 열려있는(Open / 접점이 떨어져 있는) 상태이다가 코일에 전원이 인가되는 동안 접점이 닫히는(Close / 접점이 붙어있는) 상태가 되는 접점을 의미합니다.
a 접점은 시퀀스 회로도에서는 다음과 같이 표현합니다. 떨어져 있는 방향은 좌우가 다를 수 있으나 명백하게 떨어져 있도록 표현하고 있습니다.

a 접점이 그렇다면, b 접점은 왠지 반대의 동작을 할 것 같은 생각이 듭니다.
b 접점은 Normally close (평상시 폐로)라는 의미로, 코일에 전원이 인가되지 않은 상태(Normally)에서는 접점이 닫혀있는(Close / 접점이 붙어있는) 상태이다가 코일에 전원이 인가되는 동안 접점이 열리는(Open / 접점이 떨어져 있는) 상태가 되는 접점을 의미합니다.
b 접점은 시퀀스 회로도에서는 다음과 같이 표현합니다. a 접점과 마찬가지로, 붙어 있는 방향은 좌우가 다를 수 있으나 한쪽 접점 쪽에 줄을 한 줄 더 그어서 스위치가 붙어 있는 것을 표현합니다.

참고로 릴레이 사양을 보다 보면, 2a 2b와 같은 문구를 보실 수 있는데, 해당 릴레이에 2개의 a접점과 2개의 b접점이 있는 릴레이라는 것을 의미하며, 하나의 릴레이에서 a 접점과 b 접점은 서로 배타적으로 동작하게 됩니다.

또한, 보통 A1 / A2라고 명기된 단자는 코일 전원 단자입니다. (아래 그림을 보시면 이해가 더 빠르실 것이라 사료됩니다.)

이전에 유접점 릴레이 상편에서 소개했던 동영상에서, a 접점과 b 접점의 동작에 대해서 시각적으로 잘 표현하고 있으니 참고하시길 바랍니다. (4:00 경)
https://youtu.be/n594CkrP6xE?t=217
스위치 역할을 하기 위한 것이라면, a 접점만 쓰면 되지 굳이 b 접점이 필요한가??
여기까지 설명을 듣다 보면, 한 가지 의문사항이 생길 수 있습니다.
스위치 역할을 하기 위한 것이라면, a 접점(Normally Open)만 쓰면 되지 굳이 b 접점이 필요한가??
단순히 스위치 역할만을 위한다면 위의 질문은 '그렇다.' 가 될 것입니다.
아래 그림과 같이, 스위치로 전등을 켰다 껐다하는 단순한 조작을 생각해본다면, a 접점만 사용하면 될 것이기 때문입니다.

하지만,
시퀀스 제어나 PLC 제어를 구성하다 보면 a 접점 외에 b 접점이 필요한 경우가 생각보다 많다는 것을 쉽게 느끼실 수 있습니다.
b접점이 필요한 몇가지 전형적인 상황으로는,
- 모터의 정회전 역회전 제어와 같은 상호 배타적인 제어가 필요한 경우 - Interlock 회로
- 모터 or 회로 보호용 열동계전기, EOCR의 TRIP 접점으로 사용되는 경우
- Fail safe 관점에서 시퀀스 제어를 구성할 경우 (0과 1을 반대로 로직을 구성하는 경우)
가 될 것입니다. (이번 포스팅에서 하나하나 모두 설명하긴 어려울 것 같고 그 양이 상당할 것으로 예상되기에, 추후 따로 포스팅하도록 하겠습니다.)
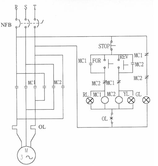
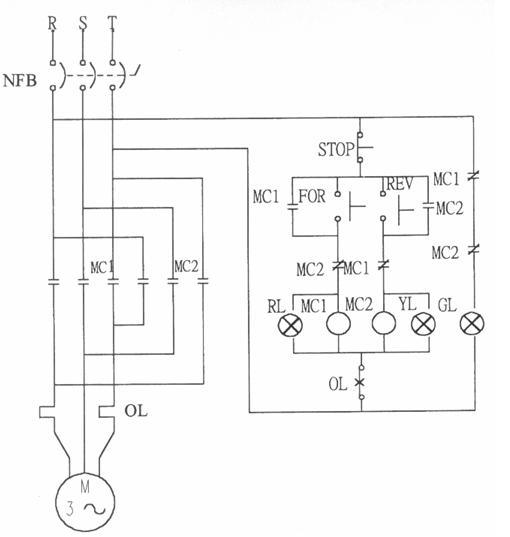
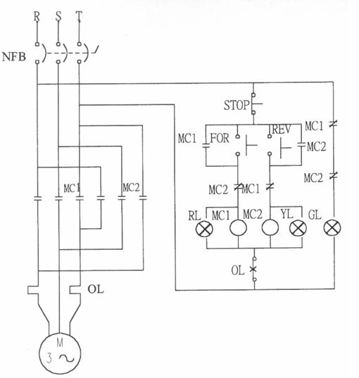
위 1 / 2번의 Case는 아래 예시를 참고하시기 바랍니다. (MC1, MC2에 사선이 그어진 접점, OL 접점이 b접점입니다.)

회로를 살펴보시면,
- 정회전 푸시버튼이 눌리면 MC1 전자접촉기가 투입되고 모터는 정회전 하게 됩니다.
- 이때, 역회전 푸시버튼이 눌리어도 MC1의 b접점이 Interlock을 구성하게 되면서 MC2 전자접촉기가 투입되지 않도록 합니다. (MC1 b접점은 MC1 전자접촉기의 투입과 동시에 Open 되기 때문)
- 모터 정지상태에서 역회전을 먼저 동작하는 반대의 상황에서도, 위와 동일한 로직으로 방향만 바뀌게 동작하게 됩니다.
- 운전 중 모터의 회전 방향을 바꾸고 싶다면, Stop 푸시버튼을 눌러 모터를 정지시킨 후 방향 전환을 합니다.
참고로, 위 회로도는 교과서적이고 기본적인 모터 정/역 제어를 담고 있는 것이며, 실제 현장에서는 타이머나 EOCR과 같은 더 다양한 로직을 포함하여 제어하게 됩니다.
유점점 릴레이 중(中) 편을 마치며,
이번 포스팅에서는, 지난 유점점 릴레이 상편에 이어, Contact State인 a 접점, b 접점이 무엇인지에 대해서 알아보고 a 접점과 b 접점을 어떻게 활용하는지에 대해서 알아보았습니다.
아쉽게도, 이번에도 유접점 릴레이에 대한 내용의 분량조절에 실패한 것 같습니다. (또한, 개인적으로 습관화하고 있는 글씨기 시간제한도 초과하였습니다.)

다음 포스팅에서는 SPST, SPDT, DPST, DPDT 같은 Relay Contact form 구분과 릴레이 사양 보는 방법에 대한 내용을 이어 나가도록 하겠습니다.
문의사항이나 오류는 메일로 연락 주시면 감사하겠습니다.
📧 simo@datawizard.co.kr
* 본 포스팅에서 언급된 모듈이나 제조사와 필자는 무관함을 알립니다.
도움이 되셨다면 왼쪽 아래 '💗' 클릭 부탁드립니다. 감사합니다.
'공장 자동화 > 제어 이론' 카테고리의 다른 글
| 무접점 릴레이 알아보자 - 장단점 및 활용 (0) | 2023.09.17 |
|---|---|
| 제어에 대해서 알아보자(5) - 유접점 릴레이 하편 / 릴레이 사양 확인 (0) | 2023.09.16 |
| 제어에 대해서 알아보자(3) - 유접점 릴레이 상편 (릴레이 개념) (0) | 2023.09.14 |
| 제어에 대해서 알아보자(2) - 시퀀스 제어 (0) | 2023.09.13 |
| 제어에 대해서 알아보자(1) - 자동제어 vs 수동제어 (1) | 2023.09.12 |